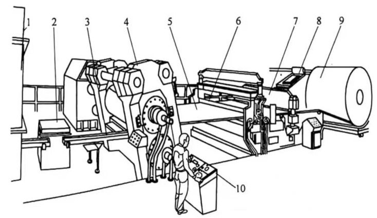
capacitor aluminum foil