We are a professional film capacitor manufacturer. Our power capacitors are mainly used in mobile electronics, communication equipment, household appliances, industrial control, power supplies, green lighting, consumer electronics, new energy and other products.

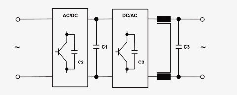
| Code | Function | Applicable Type |
|---|---|---|
| C1 | DC Link | SMCD |
| C2 | IGBT Snubber | SMIT |
| C3 | AC Filtering | SMCA |