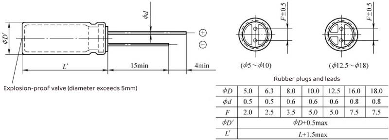
Electrolytic capacitor analysis figure 1-10 Xuansn2023-11-10T02:49:40+00:00Comments Off on Electrolytic capacitor analysis figure 1-10 Innovation Keeps Leading, Wisdom Goes Further! FacebookTwitterLinkedInVk About the Author: Xuansn